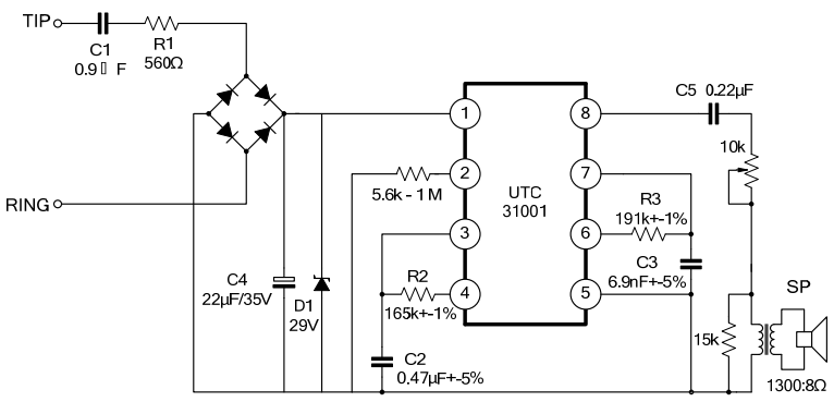
TELEPHONE TONE RINGER
DESCRIPTION
The UTC TA31001 is a bipolar integrated circuit designed for
telephone bell replacement. It can also be used as alarms or other
alerting devices.
FEATURES
*Designed for Telephone Bell Replacement.
*Low Current Drain for Multiple Extension of Lines.
*Adjustable 2-Frequency Tone.
*Adjustable Warbling Rate.
*Built-in Hysteresis Prevents False Triggering and Rotary Dial 'CHIRPS'.
*Programmable for Initiation Voltage by Simple External Resistor.
TYPICAL APPLICATION CIRCUIT

|