PC POWER SUPPLY SUPERVISORS
DESCRIPTION
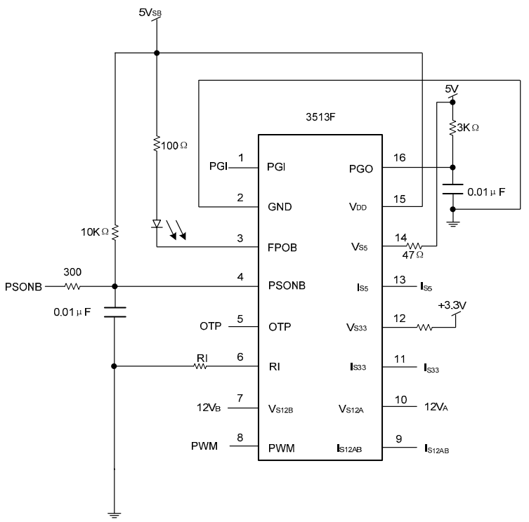
The UTC 3513 is designed to provide protection circuits, power good output (PGO) indicator, fault protection output (FPOB) and a PSONB control for PC switching power supply systems.
The protection circuits include over voltage protection (OVP), under voltage protection (UVP) and over current protection(OCP) monitoring for 3.3V, 5V and two 12V. When 3.3V, 5V or 12V voltage is decreasing to 2.68V, 4.3V and 9.9V respectively, the under voltage protection (UVP)
function will be enabled. FPO will be set to high to turn off the PWM controller IC. Toggling the PSONB from low to high will reset the fault protection latch.
The voltage difference across external current shunt is used for OCP functions. An external resistor can be used to adjust protection threshold. The power supply is turned on after 38mS delay time when PSONB signal is set from high to low. To turn off power supply, PSONB signal is set from low to high with the delay time 38mS. The PGI circuitry provides a power-down warning signal for PGO. When PGI input is lower than the internal 1.20V reference voltage, PGO signal is pulled low.
The device is available in two versions: UTC 3513E/3513F.
Specially, fan control function is available in OTP/FC pin of
UTC 3513F.
FEATURES
TYPICAL APPLICATION CIRCUITS

 |