DUAL LOW VOLTAGE POWER AMPLIFIER
DESCRIPTION
The UTC TDA2822H is a monolithic integrated audio
amplifier in a 8-Pin plastic dual in line package. It is designed
for portable cassette players and radios.
FEATURES
*Wide operating supply voltage:Vcc=1.8V~ 6V.
*Low crossover distortion.
*Low quiescent circuit current.
*Bridge/stereo configuration.
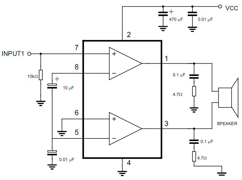
APPLICATION CIRCUIT
Fig. 1: STEREO

Fig. 2: BRIDGE
 |